共模半导体重磅推出5V,6A/4A/2A 低 EMI 车规级降压变换器 GM2506
电源管理芯片作为核心部件,其性能和可靠性对整个系统的稳定运行至关重要。共模凭借其在半导体领域的深厚积累,隆重推出了一款全新的低EMI降压变换器——GM2506。这款产品以其卓越的性能、创新的设计理念以及广泛的应用场景,为电源管理领域带来了新的突破。
1. 产品介绍
GM2506 是一个非常小、高频高效、低噪音同步 6A 降压直流/直流变换器,从 2.5V 到5.5V 的输入电源运行。该变换器使用固定开关频率,在 1.8MHz 到 8MHz 时进行峰值电流模式控制,最小开关时间低至 22ns,通过较小的外部组件实现快速瞬态响应。低 EMI 封装架构可以最大限度地减少 EMI 排放。
2. 产品特性
AEC-Q100 符合汽车应用
输入电压:2.5V 至 5.5V 输出电压:0.6V 至 VIN 输出电流:6A/4A/2A ±1%全温度范围输出电压精度 8 mΩ NMOS, 31 mΩ PMOS 可编程开关频率:1.8MHz 至 4MHz 或 3.6MHz 至 8MHz 峰值电流模式控制: 22ns 最小导通时间 宽带宽、快速动态响应 精确 1.1V 使能阈值 100%占空比工作模式 电源良好、内部补偿和软启动 低 EMI 封装架构 热限制 环境温度为 TA=-40°C to +125°C
3. 产品应用
光通信、服务器、电信
汽车、智能座舱、辅助驾驶
分布式直流供电(POL)
FPGA、ASIC、μP 核心用品
电池供电系统
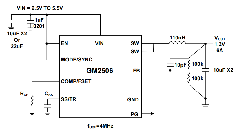
图1. 典型应用框图-2MHz 应用
图2. 典型应用框图-4MHz 应用
4. 产品优势
精确的电压调节
强大的保护功能
灵活的频率设置和同步功能
低 EMI 设计
图3. CISPR25 Conducted Emission
with Class 5 Peak Limits (Voltage Method)
图4. CISPR25 Radiated Emission
(Horizontal)
5. 对标产品

6. 订购指南

GM2506凭借其卓越的性能和广泛的适用性,可广泛应用于光通信、服务器、电信、汽车、智能座舱、辅助驾驶等领域。无论是在对电源精度和稳定性要求极高的通信基站,还是在对电磁兼容性要求严格的汽车电子系统中,GM2506都能提供可靠的电源解决方案,满足各种复杂的应用需求。
GM2506的推出,无疑为电源管理领域注入了一股新的活力。它以其高效低功耗、精确的电压调节、强大的保护功能、灵活的频率设置和同步功能以及低EMI设计等优势,完美地满足了现代电子设备对电源管理的苛刻要求,为用户带来更加高效、可靠和环保的电源解决方案。
- 成交数 --
- 成交额 --
- 应答率