最佳体验请使用Chrome67及以上版本、火狐、Edge、Safari浏览器 ×

创建银行
创建开票

    圣邦微电子推出8A开关电容电池充电器

    编者: 曾颖@芯闻道 阅读769 来源: 圣邦微 2025/05/23 01:11:31 文章 外链 公开

    圣邦微电子推出 SGM41600S,一款 I²C 控制且支持旁路模式的单节 8A 开关电容电池充电器。该器件可应用于智能手机和平板电脑。


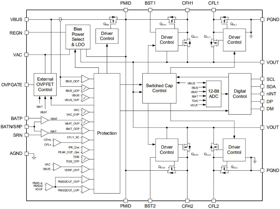
    SGM41600S 是一款高性能的 8A 开关电容电池充电器,具备 I²C 控制功能,能够在电荷泵电压分压模式或旁路模式下灵活运行。它支持 3.4V 至 11.5V 的宽输入电压范围,能够为单节锂离子或锂聚合物电池充电,适用于智能适配器或移动电源等多种输入源。其优化的开关电容架构可实现 50% 占空比,开关电容结构允许输入电流为充电电流的一半,显著减少线路压降、损耗和限制温升;支持 200kHz 至 1.6MHz 的可调开关频率,确保在不同应用场景下的高效运行;同时支持展频和抖屏功能,支持在线频率可调。在 2:1 工作模式下,当电池电压(VBAT)为 4V、电池电流(IBAT)为 6A 时,其效率可达到 97.11%。


    该设备采用双通道开关电容拓扑结构,有效减少输入电容需求,提高了整体效率并显著降低输出纹波。该芯片支持单端单电容至三电容设计,极大简化外围设计。为确保充电过程的安全性和可靠性,SGM41600S 配备了全面的保护功能,包括外部过压保护、输入短路保护、输入过流和欠流保护、电池过压保护、输出短路保护、电池电流过流保护、飞电容短路保护、开关峰值过流保护、芯片过温保护,以及 PMID 至 VOUT 的过压和欠压保护。此外,设备还内置了 6 通道 12 位(有效)ADC 转换器,可实时监测 VBUS、IBUS、VBAT、IBAT、VOUT 和 TDIE 等关键参数,高达 0.3% 的电池电压和输出电压采样精度,保障充电安全。


    SGM41600S 采用符合环保理念的 WLCSP-2.7×2.75-36B 绿色封装,能够在 -40℃ 至 +85℃ 的环境温度范围内稳定工作,适用于各种复杂的应用场景,为用户提供高效、安全且可靠的充电解决方案。


    图片

    图 1 SGM41600S 典型应用电路


    图片

    图 2 SGM41600S 功能框图


    关于圣邦微电子

    SG Micro Corp

    圣邦微电子(北京)股份有限公司(股票代码 300661)是一家综合性的高性能和高可靠性模拟及混合信号处理和系统电源管理集成电路供应商,拥有 34 大类 5900 余款可供销售产品,为工业自动化、新能源、汽车、通信、计算机、医疗设备和消费类电子等应用提供各类模拟信号调理和电源创新解决方案。

    声明:本网站部分内容来源于网络,版权归原权利人所有,其观点不代表本网站立场;本网站视频或图片制作权归当前商户及其作者,涉及未经授权的制作均须标记“样稿”。如内容侵犯了您相关权利,请及时联系责任编辑(原厂)
    李明骏
    @芯之元 ,版权号:
    成员
    • 成交数 --
    • 成交额 --
    • 应答率
    聊天 收藏 点赞
    赏
    ¥0.00¥0.00¥0.00¥0.00¥0.00
     0  0
    
    
    分享

    微信扫一扫:分享

    微信里点“+”,扫一扫二维码

    便可将本文分享至朋友圈。

        0
      验证
      二维码支付